APS003-A Series
Type | Two-plug water level sensor |
Character | Single capacitor Two-plug |
Structural description | Without mounting bracket |
Operating Voltage | DC5V |
Environment | -10℃-50℃ |
Water level range | 0-600mm Water column |
Technical parameters
1. Smooth appearance, uniform color
2. Nominal voltage :DC5.0±0.1V
3. Water level:customizable
4. Inlet strength:Apply force 49N/min, no air leakage
5. Air impermeability:Apply water pressure of 7.5kpa for 1min without air leakage
6. Destructive water pressure :≥ 1000nm
7. Voltage withstandatility:Apply 1500V/ sec, no breakdown
8. Insulation resistance:>20 megohm
9. Durability test:Each minute 20 times, the water level in 550mm action 50000 times, the water level changes in the 15mm below
10. The experiment of damp and hot: Apply 1200 v/min, no breakdown under the condition of 40±3℃ and 95% relative humidity for 48 hours.
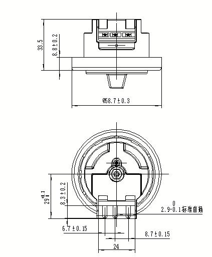
Installation dimension

Phone:+8618955377072
Email:617418882@qq.com
Website: www.xiekezhilian.com
Address:Building 1, Standardized Factory Building, Kechuang Fourth Road, Wanzhou District, Wuhu City, Anhui Province
Scan View mobile station
COPYRIGHT © 2025 Anhui Sherko Intellectual Electrical Technology Co., Ltd WEBXML Technical Support:Chenguang Network



